HOME
COMPANY
COMPANY
COMPANY
management
Quality
environmental
history
organizational
certification
customer
Factory
PRODUCTS
PRODUCTS
Switch series
Connector
Joystick
Application
Technical
NEWS
Company news
New product trends
Industry
recruitment
CONTACT
1.19K
中文版
/
English
HOME
COMPANY
COMPANY
management
Quality
environmental
history
organizational
certification
customer
Factory
PRODUCTS
Switch series
micro switch
Rocker switch
Overload protection switch
Slide switch
Push Button switch
Detection switch
Metal switch
Switch accessories
Touch switch
Toggle switch
Rotary switch
DIP switch
Waterproof tact switch
Tact Switch
Navigation switch
coding/selector switch
led tact switch
led push button switch
Connector
Joystick
APPLICATION
Smart home
Automotive electronics
stage lighting
rail transit
Medical equipment
Communication equipment
Industrial control numerical control
Video processor
NEWS
New product trends
Company news
Industry
Recruitment
TECHNICAL
Technical
3D Model
authentication
Product comparison table
Often ask questions
Furnace temperature curve
Degree of protection
CONTACT
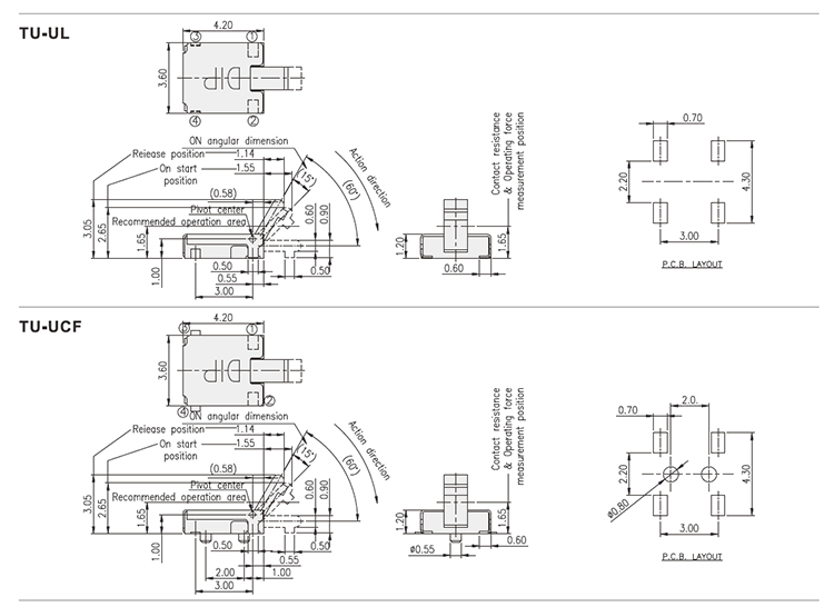
TU Series detector switch
Contact Rating: 50uA,3V DC to 10mA,5V DC Contact Resistance 1Ω max Insulation resistance 100 MΩ min Dielectric strength: 100V AC/1 minute Operating force: 40gf max Travel: 60°
details
File download
TU Series detector switch